Количество
О товаре:
Бренд
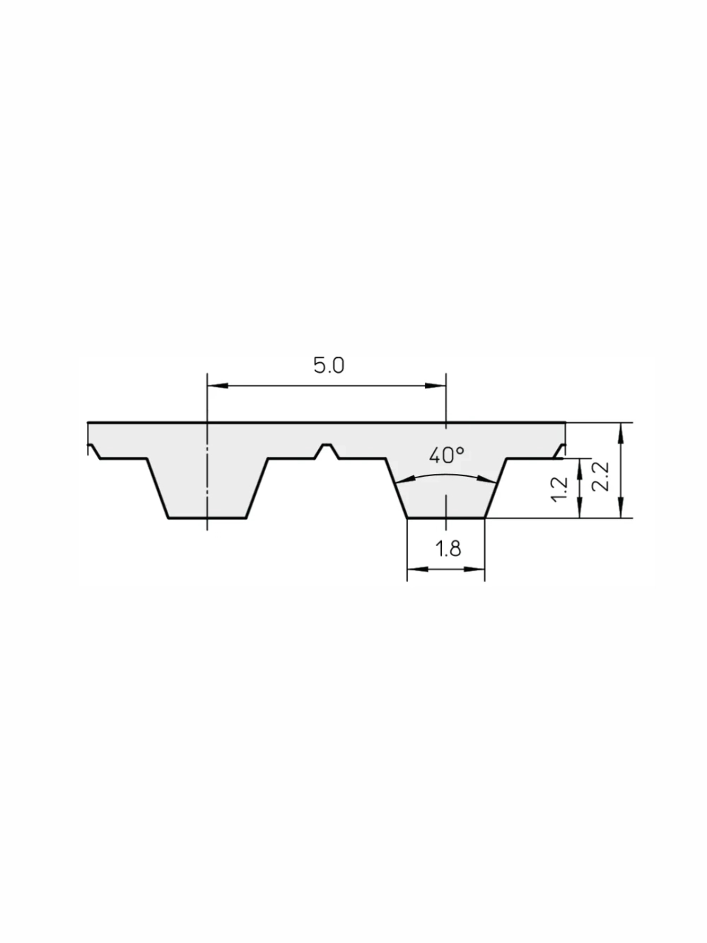
MEGADYNEПрофиль ремня
T5
Шаг ремня (в мм)
5
Длина ремня (в мм)
460
Ширина ремня (в мм)
8
Количество зубьев
92
Рабочая температура
от -25°C до +100°C
Страна производитель
Италия
Полиуретановые зубчатые ремни предназначены для точной синхронной передачи движения без проскальзывания. Изготавливаются из полиуретана с армированием стальным или кевларовым кордом, что обеспечивает высокую прочность, износостойкость и минимальное растяжение.
Ремни устойчивы к маслам, влаге и химическим воздействиям, стабильно работают при высоких нагрузках и скоростях. Применяются в автоматизированном оборудовании, конвейерах, упаковочных линиях, станках с ЧПУ и промышленной автоматике.
Полиуретановые зубчатые ремни — надёжное решение для непрерывной работы промышленного оборудования.
Ремни MEGAPOWER 2 от компании MEGADYNE обеспечивает высокую производительность с точки зрения сопротивления тяге и гибкости, представляя собой, таким образом, наиболее эффективную систему передачи мощности.
Сочетание лучших материалов и самых передовых технологий производства обеспечивает улучшенные характеристики.
Корпус из термореактивного полиуретана с твердостью 88 ShA обеспечивает превосходную устойчивость даже при скачкообразных колебаниях нагрузки, возникающих во время циклов остановок/запусков.























