hot
Количество
О товаре:
Бренд
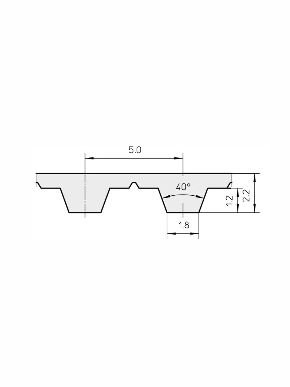
BRECOFLEXПрофиль ремня
T5
Шаг ремня (в мм)
5
Длина ремня (в мм)
1400
Ширина ремня (в мм)
75
Количество зубьев
280
Рабочая температура
от -25°C до +100°C
Страна производитель
Германия
Полиуретановые зубчатые ремни предназначены для точной синхронной передачи движения без проскальзывания. Изготавливаются из полиуретана с армированием стальным или кевларовым кордом, что обеспечивает высокую прочность, износостойкость и минимальное растяжение.
Ремни устойчивы к маслам, влаге и химическим воздействиям, стабильно работают при высоких нагрузках и скоростях. Применяются в автоматизированном оборудовании, конвейерах, упаковочных линиях, станках с ЧПУ и промышленной автоматике.
Полиуретановые зубчатые ремни — надёжное решение для непрерывной работы промышленного оборудования.


















